PDF문서RFP_Maintenance Part_V964_v01-수정.pdf

닫기

background image

 
 

 

 

 

KARI PROPRIETARY 

 

Request For Proposal 

for 

Maintenance Parts for   

LDS V964 Shaker 

 

 

 

April 2016 

Space Test Division 

Korea Aerospace Research Institute 

 

169-84 Gwahangno, Yuseong-gu, Daejeon, 305-806, KOREA 

Phone : 82(42)860-2562, Fax : 82(42)860-2234

 

 

 

KARI PROPRIETARY 


background image

 
 

 

 

 

 

 
 
 

Request For Proposal 

for 

Maintenance Parts for LDS V964 Shaker 

 

IMPORTANT 

 

1. This RFP should be kept in confidentiality and should neither 
be copied nor distributed to the third parties. 

 

2. The  questions  and  opinions  on  this  RFP  can  be  asked  or 
suggested  to  Korea  Aerospace  Research  Institute  before 
submission of the proposal. 

 

3. This  RFP  shall  be  legal  bind  after  the  contract  is  awarded 
unless  the  bidder  explicitly  expresses  the  differences  from  the 
RFP in the compliance sheet. 

 

 

April 2016 

 

Space Test Division 

Korea Aerospace Research Institute 

169-84 Gwahangno, Yuseong-gu 

DAEJEON, 34133 KOREA 

 

Phone : 82(42)860-2562, FAX : 82(42)860-2234 

e-mail :acoust@kari.re.kr 


background image

 

 

2016. 4 

 

 
 
 

Space Test Division 

 

Table of Contents 

 

I. 

OVERVIEW ............................................................................................................................. 2 

1. 

OVERVIEW OF THE PROJECT ..................................................................................................... 2 

2. 

WORK DESCRIPTION ................................................................................................................ 3 

3. 

MANAGEMENT REPORTING MEETINGS AND DELIVERABLES .................................................... 4 

4. 

WARRANTY ............................................................................................................................. 4 

II. 

TECHNICAL REQUIREMENTS ...................................................................................... 5 

1. 

TOTAL SYSTEM CONFIGURATION ............................................................................................. 5 

2. 

TECHNICAL REQUIREMENTS .................................................................................................... 5 

 
 

 

 

 

 

 

 


background image

 

 

2016. 4 

 

 
 
 

2           

Space Test Division

 

 

I.  OVERVIEW 

 

1. 

Overview of the project 

 

1.1 

Korea  Aerospace  Research  Institute  (hereinafter  referred  to  as  “KARI”)  is  located  at 

Daeduk Research Complex, 140 km south of Seoul. 

 

1.2 

KARI  has  a  satellite  assembly,  integration  and  test  center  (hereinafter  referred  to  as 

“AITC”)  for  joint  use  by  corporations  and  research  institutes  for  the  purpose  of  the 

effective  development  of  domestic  satellites.  And  basic  facilities  and  equipment  for 

satellite assembly and test have been supplied, installed and used. 

 

1.3 

To maintain the vibration shaker capability, KARI would like to procure maintenance parts 

for existing shaker system of LDS V964 shaker.   

 

1.4 

The purposes of this project are ; 

 

1.4.1 

To  supply  all  related  cable  set  between  shaker  body  and  cooling  unit  & 

amplifier system of LDS V964 

1.4.2 

To supply connection of cable lines & acceptance test 

 

The performance of the installed shaker system shall meet the requirements as detailed in 

the II Technical requirement. 

 

 

 


background image

 

 

2016. 4 

 

 
 
 

3           

Space Test Division

 

 

2.  Work description 

 

2.1  WP S1000 Maintenance Part Manufacturing 

 

2.1.1 

General 

An effective and economical management of the Project shall be conducted. A Project Manager shall 

be responsible for the management and execution of the work to be performed. 

 

2.1.2 

Manufacturing 

The system hardware shall be manufactured to satisfy the shaker performance described in this RFP 

All manufacturing operations shall be planned in co-ordination with inspections and tests. 

 

 

2.2  WP S2000 Installation   

During this work package the following tasks shall be performed: 

 

2.2.1 

Mechanical Installation 

 

The mechanical installation comprises the installation and connection of the cable set at KARI 

site. 

 

2.3  WP S3000: Acceptance testing 

Upon completion of the installation of the cable set, the acceptance testing of the LDS V964 shaker 

shall be took place according to the acceptance test sequence.   

The acceptance tests shall be performed in accordance with formal test procedures. 

During this work package the following tasks shall be performed: 

 

 

2.3.1 

Acceptance test sequence 

The  acceptance  tests  shall  verify  the  capability  of  shaker  in  compliance  with  LDS  V964  shaker 

specification. The following tests have to be performed: 

 

Drag force measurement test for slip table configuration 

 

Bare condition performance tests 

 

Loaded condition performance tests with dummy load 

 

Abort sequence verification 

 

 

 


background image

 

 

2016. 4 

 

 
 
 

4           

Space Test Division

 

 

3.  Management reporting Meetings and Deliverables 
 

The hardware deliveries shall include, as a minimum, the following: 

 

Item 

No. 

Part name 

Qty 

Description 

Maintenance Part 

Degauss cable 40m 

Field drive cable 40m   

Distilled water supply cable 40m   

Cooling hose return cable 40m 

Oil hose return cable 40m 

Oil hose supply 40m 

Armature over travel cable 40m 

Bearing oil pressure cable 40m 

Armature support cable 40m 

Armature cooling (Thermocouple) cable 40m 

Field coil (Upper) cooling (Thermocouple) cable 40m 

Field coil (Lower) cooling (Thermocouple) cable 40m 

Vertical/Horizontal switch cable 40m   

Body temperature cable 40m 

Over travel (Slip table) cable 40m 

BRG. Oil pressure (Slip table) cable 40m 

BRG. Oil pressure (Head expander) cable 40m 

Load support head expander cable 40m 

Earth cable 40m 

Armature drive cable 40m 

Fiber optic cable Tri axial BNC cable and Emergency 
stop 55m 

Amplifier  energize/Body  over  travel  Command  / 
Control console cable 40m 

External Emergency stop cable 40m 

Field data link 15m 

Cooling unit data link 15m 

RCP 9 cables 

Other miscellaneous cables 

 

 

4.  Warranty   

 

4.1 

The  system  shall  be  warranted  for  a  duration  of  1  years  from  the  date  of  definitive 

acceptance on the site against any operational faults. 

 

4.2 

The warranty covers the replacement of faulty parts, the labor required for repair, traveling 

cost, living fees and all associated necessary costs.   

 

 

 

 


background image

 

 

2016. 4 

 

 
 
 

5           

Space Test Division

 

 

II.  Technical Requirements 

 

1. 

Total System Configuration 

 

This document covers the technical requirements applicable to  maintenance parts for LDS V964 

shaker system

 

 

Figure 1 LDS V964 system of KARI 

 

 

2. 

Technical Requirements 

 

The work scope for procurement is   

To supply all related cable set between shaker body and cooling unit & amplifier system of LDS 

V964 

To supply installation of cable lines & acceptance test 

 

2.1 

List of Maintenance Parts 

 

The supplied maintenance part shall have the following requirement as minimum:   

Degauss cable 40m 

Field drive cable 40m   

Distilled water supply cable 40m   

Cooling hose return cable 40m 

Oil hose return cable 40m 

Oil hose supply 40m 

Armature over travel cable 40m 

Bearing oil pressure cable 40m 

Armature support cable 40m 

Armature cooling (Thermocouple) cable 40m 

Field coil (Upper) cooling (Thermocouple) cable 40m 


background image

 

 

2016. 4 

 

 
 
 

6           

Space Test Division

 

 

Field coil (Lower) cooling (Thermocouple) cable 40m 

Vertical/Horizontal switch cable 40m   

Body temperature cable 40m 

Over travel (Slip table) cable 40m 

BRG. Oil pressure (Slip table) cable 40m 

BRG. Oil pressure (Head expander) cable 40m 

Load support head expander cable 40m 

Earth cable 40m 

Armature drive cable 40m 

Fiber optic cable Tri axial BNC cable and Emergency stop 55m 

Amplifier energize/Body over travel Command / Control console cable 40m 

External Emergency stop cable 40m 

Field data link 15m 

Cooling unit data link 15m 

RCP 9 cables 

Other miscellaneous cables 

 

 

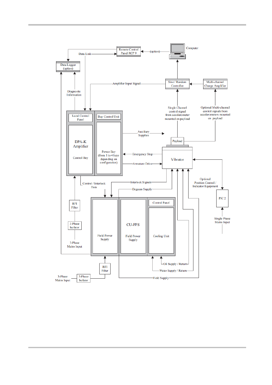
Figure 2 Cable diagram of shaker system 


background image

 

 

2016. 4 

 

 
 
 

7           

Space Test Division

 

 

 

Figure 3 Configuration of shaker system 

 

 

 

 


background image

 

 

2016. 4 

 

 
 
 

8           

Space Test Division

 

 

2.2 

Performance Requirement 

 

The supplied maintenance parts shall be compatible to V964 shaker system of KARI. 

After  the  installation  of  supplied  maintenance  part,  the  vibration  system  shall  have  the 

performance of described ones of Manual of LDS V964 shaker system.     

In the tables & Figures as shown at below, the typical requirements are described. 

 

 

Table 1 Specification of V964 shaker system 

 

 

 

 


background image

 

 

2016. 4 

 

 
 
 

9           

Space Test Division

 

 

 

 

 

Table 2 Field power requirement 

 

 

 

 

 

Table 3 Requirement of Armature 

 

 

 

 

 

 

 


background image

 

 

2016. 4 

 

 
 
 

10           

Space Test Division

 

 

 

 

 

 

 

Table 3 Specification of cooling unit/Field power supply 

 

 

 

 


background image

 

 

2016. 4 

 

 
 
 

11           

Space Test Division

 

 

 

 

 

Table 4 Performance Specification of field power supply 

 

 

 

 

 

 

 

 


background image

 

 

2016. 4 

 

 
 
 

12           

Space Test Division

 

 

 

 

Table 5 Specification of Amplifier 

 

 

 

 

 

 

 

 

 

 

 


background image

 

 

2016. 4 

 

 
 
 

13           

Space Test Division

 

 

 

 

 

Figure 4 Performance-Transverse in bare condition 

 

 

 

 

Figure 5 Performance-Normal in bare condition 

 

 


background image

 

 

2016. 4 

 

 
 
 

14           

Space Test Division

 

 

 

 

 

 

Figure 6 Voltage of V964 in bare condition 

 

 

 

Figure 7 Current of V964 in bare condition