PDF문서Commodity_Description_screw.pdf

닫기

background image

C o m m o d ity   D e scrip tio n

Item

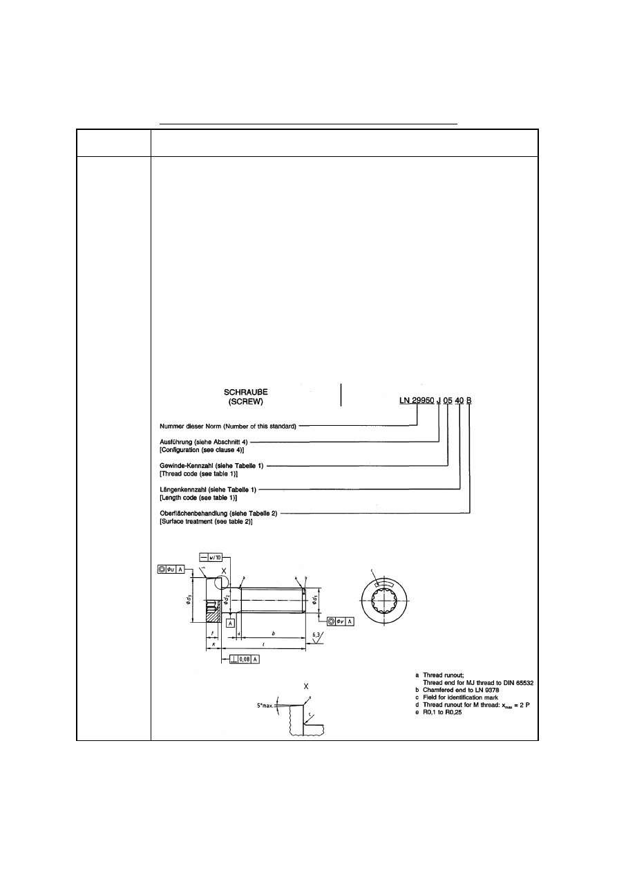
  LN  29950  Screw

Description

-. LN29950/aerospace
   Cheese head screw with internal serration, titanium alloy
-. Quantity of screws
   LN29950J0406B:25 ea, LN29950J0408B:60 ea,
   LN29950J0410B:60 ea, LN29950J0411B:80 ea,
   LN29950J0414B:70 ea, LN29950J0510B:50 ea,
   LN29950J0512B:30 ea, LN29950J0516B:150 ea,
   LN29950J0518B:25 ea, LN29950J0522B:80 ea,
   LN29950J0526B:25 ea, LN29950J0615B:25 ea,
   LN29950J0616B:25 ea, LN29950J0619B:170 ea,
   LN29950J0624B:70 ea, LN29950J0625B:70 ea,
   LN29950J0637B:80 ea, LN29950J0825B:80 ea,
   LN29950J0832B:80 ea
-. Designation

-. Dimension


background image

-. Threads

-. Material & Surface treatment

-. Reference : LN29950 and Standard Specification