KARI PROPRIETARY
Request For Proposal
for
Vibration Shaker Components for
LDS V984
June 2016
Space Test Division
Korea Aerospace Research Institute
169-84 Gwahangno, Yuseong-gu, Daejeon, 305-806, KOREA
Phone : 82(42)860-2562, Fax : 82(42)860-2234
KARI PROPRIETARY
Request For Proposal
for
Vibration Shaker Components for LDS V984
IMPORTANT
1. This RFP should be kept in confidentiality and should neither
be copied nor distributed to the third parties.
2. The questions and opinions on this RFP can be asked or
suggested to Korea Aerospace Research Institute before
submission of the proposal.
3. This RFP shall be legal bind after the contract is awarded
unless the bidder explicitly expresses the differences from the
RFP in the compliance sheet.
June 2016
Space Test Division
Korea Aerospace Research Institute
169-84 Gwahangno, Yuseong-gu
DAEJEON, 34133 KOREA
Phone : 82(42)860-2562, FAX : 82(42)860-2234
e-mail :acoust@kari.re.kr
2016. 6
1
Space Test Division
Table of Contents
I.
OVERVIEW ........................................................................................................................ 2
1. OVERVIEW OF THE PROJECT ................................................................................................ 2
2. WORK DESCRIPTION ........................................................................................................... 3
3. MANAGEMENT REPORTING MEETINGS AND DELIVERABLES ................................................. 4
4. WARRANTY ....................................................................................................................... 5
II.
TECHNICAL REQUIREMENTS .................................................................................. 6
1. TOTAL SYSTEM CONFIGURATION ........................................................................................ 6
2. TECHNICAL REQUIREMENTS ............................................................................................... 6
2016. 6
2
Space Test Division
I. OVERVIEW
1.
Overview of the project
1.1
Korea Aerospace Research Institute (hereinafter referred to as “KARI”) is located at
Daeduk Research Complex, 140 km south of Seoul.
1.2
KARI has a satellite assembly, integration and test center (hereinafter referred to as
“AITC”) for joint use by corporations and research institutes for the purpose of the
effective development of domestic satellites. And basic facilities and equipment for
satellite assembly and test have been supplied, installed and used.
1.3
To maintain the vibration shaker capability, KARI would like to procure maintenance parts
for existing shaker system of LDS V984 shakers.
1.4
The purposes of this project are ;
1.4.1
To supply all related cable set for LDS V984 lateral shaker system
1.4.2
To supply all related cable set for LDS V984 vertical shaker system
1.4.3
To supply RCP unit for LDS V984 shaker
1.4.4
To supply connection of cable lines & acceptance test
The performance of the installed shaker system shall meet the requirements as detailed in
the II Technical requirement.
2016. 6
3
Space Test Division
2. Work description
2.1 WP S1000 Maintenance Part Manufacturing
2.1.1
General
An effective and economical management of the Project shall be conducted. A Project Manager shall
be responsible for the management and execution of the work to be performed.
2.1.2
Manufacturing
The system hardware shall be manufactured to satisfy the shaker performance described in this RFP
All manufacturing operations shall be planned in co-ordination with inspections and tests.
2.2 WP S2000 Installation
During this work package the following tasks shall be performed:
2.2.1
Mechanical Installation
The mechanical installation comprises the installation and connection of the cable set at KARI
site.
2.3 WP S3000: Acceptance testing
Upon completion of the installation of the cable set, the acceptance testing of the LDS V984 shakers
shall be took place according to the acceptance test sequence.
The acceptance tests shall be performed in accordance with formal test procedures.
During this work package the following tasks shall be performed:
2.3.1
Acceptance test sequence
The acceptance tests shall verify the capability of shaker in compliance with LDS V984 shakers
specification. The following tests have to be performed:
Drag force measurement test for slip table configuration
Bare condition performance tests
Loaded condition performance tests with dummy load
Abort sequence verification
2016. 6
4
Space Test Division
3. Management reporting Meetings and Deliverables
The hardware deliveries shall include, as a minimum, the following:
Item
No.
Part name
Qty
Description
1
Cable set for LDS V984
combo(lateral)
shaker system
1
-
Degauss cable 40m
-
Field drive cable 40m
-
Distilled water supply cable 40m
-
Cooling hose return cable 40m
-
Oil hose return cable 40m
-
Oil hose supply 40m
-
Armature over travel cable 40m
-
Bearing oil pressure cable 40m
-
Armature support cable 40m
-
Armature cooling (Thermocouple) cable 40m
-
Field coil (Upper) cooling (Thermocouple) cable 40m
-
Field coil (Lower) cooling (Thermocouple) cable 40m
-
Vertical/Horizontal switch cable 40m
-
Body temperature cable 40m
-
Over travel (Slip table) cable 40m
-
BRG. Oil pressure (Slip table) cable 40m
-
Earth cable 40m
-
Armature drive cable 40m
-
Fiber optic cable Tri axial BNC cable and Emergency
stop 55m
-
Amplifier energize/Body over travel Command /
Control console cable 40m
-
External Emergency stop cable 40m
-
Field data link 15m
-
Cooling unit data link 15m
-
Other miscellaneous cables
2
Cable set for LDS V984
head expander (vertical)
shaker system
-
Degauss cable 40m
-
Field drive cable 40m
-
Distilled water supply cable 40m
-
Cooling hose return cable 40m
-
Oil hose return cable 40m
-
Oil hose supply 40m
-
Armature over travel cable 40m
-
Bearing oil pressure cable 40m
-
Armature support cable 40m
-
Armature cooling (Thermocouple) cable 40m
-
Field coil (Upper) cooling (Thermocouple) cable 40m
-
Field coil (Lower) cooling (Thermocouple) cable 40m
-
Vertical/Horizontal switch cable 40m
-
Body temperature cable 40m
-
BRG. Oil pressure (Head expander) cable 40m
-
Load support head expander cable 40m
-
Earth cable 40m
-
Armature drive cable 40m
-
Fiber optic cable Tri axial BNC cable and Emergency
stop 55m
-
Amplifier energize/Body over travel Command /
Control console cable 40m
-
External Emergency stop cable 40m
2016. 6
5
Space Test Division
-
Field data link 15m
-
Cooling unit data link 15m
-
Other miscellaneous cables
-
3
RCP unit for LDS V984
shaker
1
-
Remote control panel for LDS V984
4. Warranty
4.1
The system shall be warranted for a duration of 1 years from the date of definitive
acceptance on the site against any operational faults.
4.2
The warranty covers the replacement of faulty parts, the labor required for repair, traveling
cost, living fees and all associated necessary costs.
2016. 6
6
Space Test Division
II. Technical Requirements
1.
Total System Configuration
This document covers the technical requirements applicable to maintenance parts for LDS V984
shaker system
Figure 1 LDS V984 system of KARI
2.
Technical Requirements
The work scope for procurement is
-
To supply all related cable set between shaker body and cooling unit & amplifier system of LDS
V984 lateral shaker system
-
To supply all related cable set between shaker body and cooling unit & amplifier system of LDS
V984 vertical shaker system
-
To supply RCP unit for LDS V984 shaker
-
To supply installation of cable lines & acceptance test
2.1
List of Maintenance Parts
The supplied maintenance part shall have the following requirement as minimum:
-
LDS V984 combo(lateral) shaker system
Degauss cable 40m
Field drive cable 40m
Distilled water supply cable 40m
Cooling hose return cable 40m
Oil hose return cable 40m
Oil hose supply 40m
2016. 6
7
Space Test Division
Armature over travel cable 40m
Bearing oil pressure cable 40m
Armature support cable 40m
Armature cooling (Thermocouple) cable 40m
Field coil (Upper) cooling (Thermocouple) cable 40m
Field coil (Lower) cooling (Thermocouple) cable 40m
Vertical/Horizontal switch cable 40m
Body temperature cable 40m
Over travel (Slip table) cable 40m
BRG. Oil pressure (Slip table) cable 40m
Earth cable 40m
Armature drive cable 40m
Fiber optic cable Tri axial BNC cable and Emergency stop 55m
Amplifier energize/Body over travel Command / Control console cable 40m
External Emergency stop cable 40m
Field data link 15m
Cooling unit data link 15m
Other miscellaneous cables
-
LDS V984 head expander(vertical) shaker system
Degauss cable 40m
Field drive cable 40m
Distilled water supply cable 40m
Cooling hose return cable 40m
Oil hose return cable 40m
Oil hose supply 40m
Armature over travel cable 40m
Bearing oil pressure cable 40m
Armature support cable 40m
Armature cooling (Thermocouple) cable 40m
Field coil (Upper) cooling (Thermocouple) cable 40m
Field coil (Lower) cooling (Thermocouple) cable 40m
Vertical/Horizontal switch cable 40m
Body temperature cable 40m
BRG. Oil pressure (Head expander) cable 40m
Load support head expander cable 40m
Earth cable 40m
2016. 6
8
Space Test Division
Armature drive cable 40m
Fiber optic cable Tri axial BNC cable and Emergency stop 55m
Amplifier energize/Body over travel Command / Control console cable 40m
External Emergency stop cable 40m
Field data link 15m
Cooling unit data link 15m
Other miscellaneous cables
-
LDS RCP unit
Remote control panel
Switch ON-OFF of amplifiers and auxiliaries
Master gain control and input attenuator for low level testing
Indicators for output current and voltage
Additional set of voltage and current measuring converters incl. suitable signal
conditioning (for additional measurement interface)
Transformer tap changing device if applicable (contr. Voltage 240 V ac)
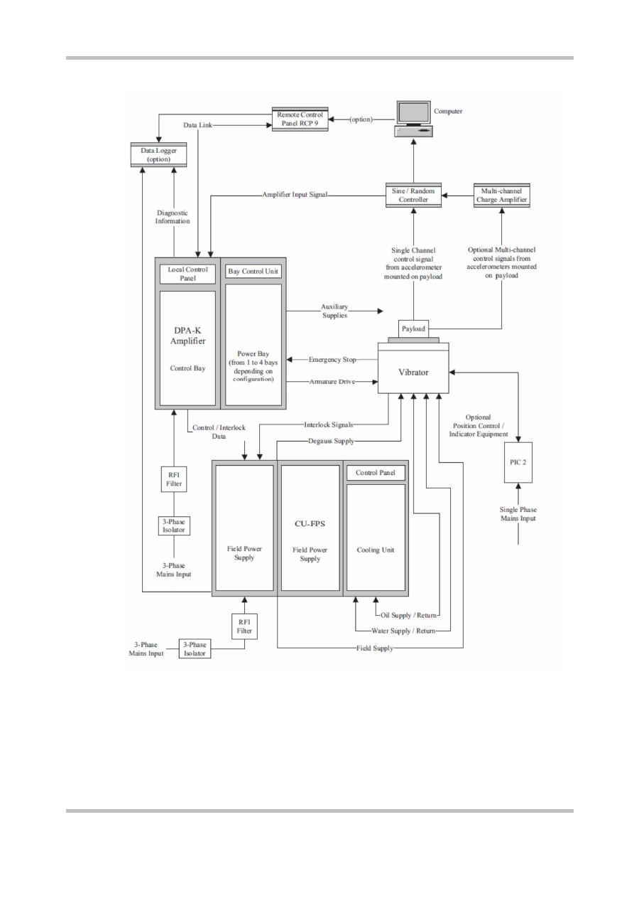
Figure 2 Cable diagram of shaker system
2016. 6
9
Space Test Division
Figure 3 Configuration of shaker system
2016. 6
10
Space Test Division
2.2
Performance Requirement
The supplied maintenance parts shall be compatible to V984 shaker system of KARI.
After the installation of supplied maintenance part, the vibration system shall have the
performance of described ones of Manual of LDS V984 shaker system.
The preliminary check and procedures are performed according LDS V984 testing
procedure. The test results will be compared with test report which is the previously tested
results.
In the tables & Figures as shown at below, the typical requirements are described.
Table 1 Specification of V984 shaker system
Frequency range
Sine
3-2000 Hz
Random
10-2000 Hz
Shock
5-2000 Hz
Nominal maximum Thrust
Sine
160 kN peak
Random
133 kN RMS
Shock
>160 kN peak
Nominal maximum
no load acceleration
Sine
100 g
random
30 grms
shock
100 g
Nominal maximum velocity
sine
1.6 m/s
Nominal maximum displacement
Sine
38 mm peak-peak
Half
sine
bump
50.8 mm
2016. 6
11
Space Test Division
Table 2 Field power requirement
Table 3 Requirement of Armature
2016. 6
12
Space Test Division
Table 4 Specification of cooling unit/Field power supply
2016. 6
13
Space Test Division
Table 5 Performance Specification of field power supply
2016. 6
14
Space Test Division
Table 6 Specification of Amplifier
2016. 6
15
Space Test Division
Figure 4 Sensor location for acceptance test
Figure 5 Acceleration profile for shaker
Acceleration profile
0.000
2.000
4.000
6.000
8.000
10.000
12.000
14.000
16.000
18.000
20.000
0
10
20
30
40
50
60
70
80
90
100
Frequency [Hz]
Acceleration [g]
2016. 6
16
Space Test Division
Figure 6 Velocity profile for shaker
Figure 7 Displacement profile for shaker
Velocity profile
0.00
20.00
40.00
60.00
80.00
100.00
120.00
140.00
160.00
180.00
0
10
20
30
40
50
60
70
80
90
100
Frequency [Hz]
V
e
lo
c
it
y
[
c
m
/s
]
Displacement profile
0
2
4
6
8
10
12
14
16
0
10
20
30
40
50
60
70
80
90
100
Frequency [Hz]
D
is
p
la
c
e
m
e
n
t
[m
m
]
2016. 6
17
Space Test Division
Figure 8 Bare Table Capability Test
Figure 9 Harmonic distortion of shaker system
2016. 6
18
Space Test Division
Figure 10 Loaded random vibration test
Figure 11 Loaded sine vibration test